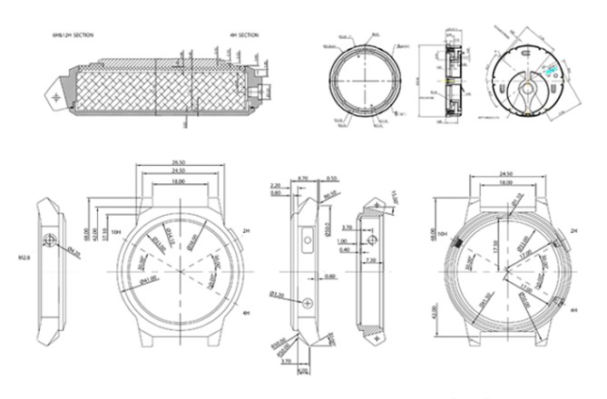
The RPM concept design that was featured on February 5th has made it to the next stage of development and is now under technical consideration. We really appreciate the feedback everyone provided and have carefully considered each comment.
Certain updates have been made to the original concept and we are now in the process of deciding whether the watch can go into production.
Kisai RPM is now available to buy here.
The RPM concept design that was featured on February 5th has made it to the next stage of development and is now under technical consideration. We really appreciate the feedback everyone provided and have carefully considered each comment.
Certain updates have been made to the original concept and we are now in the process of deciding whether the watch can go into production.












